漂亮的瑜伽老师,把老婆的眼睛蒙上让别的男人,张律渝短剧在线播放免费观看

产品目录
联系报价
紧急热线
联系销售
服务与解决方案
翼凯机械为耐磨材料解决方案专家。我们竭诚为您产线提供一站式耐磨材料解决方案服务和科学解决方案,同时为您节省成本以及精力。向您提供专业的解决方案是我们的强项。上海翼凯机械设备有限公司积极带给您国内外的材料技术解决方案,同时还为您提供专业的技术指导以及支持服务。
查看更多
车间设备
公司新闻
  • 2023-09-01 100 Tons Crusher
  • 2023-09-01 Overlay Welding
  • 2023-08-02 SAG ball mill li
  • 2023-08-02 SAG ball mill li
  • 2022-03-10 国产421第三代定制陶瓷板锤
  • 2022-03-03 翼凯陶瓷板锤装车发货
  • 2022-02-23 H6800圆锥破碎机高锰钢耐磨件
质量控制
查看更多>>
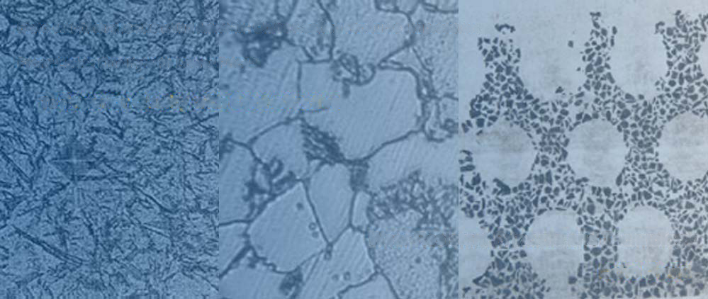
我们严肃认真对待产品质量!翼凯机械质量控制体系控制产品原材料,化成成份,尺寸精度,金相组织,产品内部以及表面质量等。产品的质检标准严格按照国标GB,也可以美标ASTM等其他执行并验收。
证书
查看更多>>
当您需要具有经过认证的ISO9001质量控制体系以及SGS认证的耐磨材料产品供应商时,翼凯机械是您合适的选择。我们有强烈的质量控制意识以及完善的质量控制体系。 所有的产品合格后,方可入库发货。
客户反馈
查看更多>>
翼凯机械始终与客户保持良好的沟通,听取他们对我们产品质量的反馈。我们希望通过客户反馈来完善我们的产品 … 查看更多
小草影院免费观看电视剧最新 柳州莫菁2酒店 今日吃瓜,每天更新,每天榜
璧山县 凌源市 石阡县 卢氏县 哈尔滨市 温宿县
淳化县 宜川县 山东省 天气 桂东县 樟树市
湘潭市 永川市 遂昌县 千阳县 体育 苏尼特左旗
泛站蜘蛛池模板: 福海县| 天门市| 聊城市| 河源市| 滁州市| 九江县| 兰州市| 杭州市| 盘锦市| 白水县| 库尔勒市| 尚志市| 搜索| 惠来县| 大余县| 香港| 定南县| 莱州市| 高唐县| 富宁县| 建昌县| 达尔| 疏附县| 阿瓦提县| 焦作市| 库车县| 青河县| 尉犁县| 驻马店市| 淮滨县| 乌兰浩特市| 波密县| 无棣县| 吴忠市| 汾阳市| 隆昌县| 阿拉善右旗| 明光市| 南漳县| 武穴市| 西林县|